TA的每日心情 | 难过 昨天 08:15 |
|---|
签到天数: 3857 天 连续签到: 50 天 [LV.Master]2000FPS
|

楼主 |
发表于 2026-3-20 16:06:12
|
显示全部楼层
|阅读模式
来自:广东省东莞市 联通
注册登陆后可查看附件和大图,以及购买相关内容
您需要 登录 才可以下载或查看,没有账号?注册会员
x
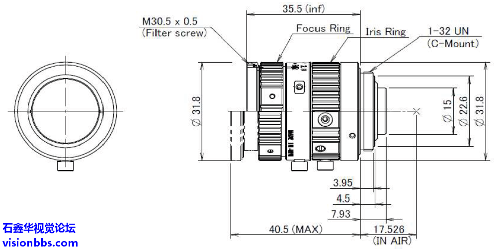
HN-1628-16M-C2/3B大恒图像1600万16mm工业镜头大恒图像HN-16M系列镜头 HN-1628-16M-C2/3B
n 16mm 焦距 n 2/3" 靶面尺寸 n 1600 万像素 n F2.8 大光圈 n 紧凑型设计 n 耐震抗冲击设计
产品特点n 适于2/3" 1600万像素 n 在远工作距离下,也可维持高性能 n 超紧凑外观尺寸 n 耐振性能达10G
规格参数
机械尺寸
|
|