LabVIEW视觉

 找回密码
 注册会员
查看: 262|回复: 0

[面阵相机] ME2S-2560-15U3M大恒图像水星Supper USB3.0黑白工业相机

[复制链接]
  • TA的每日心情
    奋斗
    昨天 11:23
  • 签到天数: 3840 天

    连续签到: 33 天

    [LV.Master]2000FPS

     楼主| 发表于 2026-3-4 08:37:18 | 显示全部楼层 |阅读模式 来自:广东省东莞市 联通

    注册登陆后可查看附件和大图,以及购买相关内容

    您需要 登录 才可以下载或查看,没有账号?注册会员

    x
    ME2S-2560-15U3M大恒图像水星Supper USB3.0黑白工业相机
    水星二代2560万像素USB3.0接口工业相机,FPGA性能更高,四面设有螺钉安装孔位,可灵活安装。
    水星二代Super相机结构紧凑,外观小巧(29×29mm),四面设有螺钉安装孔位,可以在不同结构下灵活安装。ME2S-2560-15U3M相机采用 CMOS 感光芯片,并采用更高性能的FPGA,通过USB3.0数据接口进行图像数据的传输, 并集成I/O (GPIO) 接口,提供线缆锁紧装置,能稳定工作在各种恶劣环境下,是高可靠性的工业数字相机产品。
    image1.png
    水星ME2S-U3系列工业相机

    应用领域
    工业检测、医疗、科研、教育等领域。

    功能特性
    ■    两种曝光时间模式:标准曝光时间模式 / 极小曝光时间模式
    ■    突发采集功能
    ■    支持 Gamma、Binning、数字移位、黑电平、平场校正
    ■    支持锐化、降噪、查找表、参数组、计数器、定时器
    ■    取消参数范围限制,可扩大曝光、增益、白平衡等参数的范围值
    ■    提供用户数据区,保存算法系数、参数配置等

    光谱曲线
    image2.png

    规格参数
    型号  
    ME2S-2560-15U3M
    品牌
    大恒图像
    系列
    水星ME2S-U3
    分辨率
    5064(H) × 5064(V)
    传感器
    1.1" Global shutter CMOS
    像元尺寸
    2.5μm × 2.5μm
    帧率
    15.4 fps(突发采集高速模式下,采集帧率可达 21.95fps)
    模数转换精度
    12 bit
    像素深度
    8 bit,10bit,12 bit
    光谱
    黑白
    图像数据格式
    Mono8 / Mono10 / Mono12
    信噪比
    41.03 dB
    曝光时间
    极小:1μs ~ 2.4μs,实际步长:1μs;  
    标准:3μs ~ 1s,实际步长:1 行周期(像素抽样开启或曝光时间3μs~20μs),1μs(曝光时间20μs以上)
    增益
    0dB ~ 24dB;默认值0dB,步长0.1dB
    Binning
    1×1,1×2,1×4,2×1,2×2,2×4,4×1,4×2,4×4
    像素抽样
    不支持
    同步方式
    外触发,软触发
    工作方式
    单帧采集,连续采集,软触发采集,外触发采集
    镜像翻转
    水平镜像,垂直镜像
    I/O接口
    1 路光耦隔离输入,1 路光耦隔离输出,1 路双向 GPIO
    数据接口
    USB3.0
    供电要求
    12VDC-10%~24VDC+10% 电源 ( 推荐 ) 或 USB3.0接口供电
    额定功率
    3.90 W @ 5 VDC
    工作温度
    0° C ~ +45° C
    存储温度
    -20°C ~ +70°C
    工作湿度
    10% ~ 80%
    镜头接口
    C
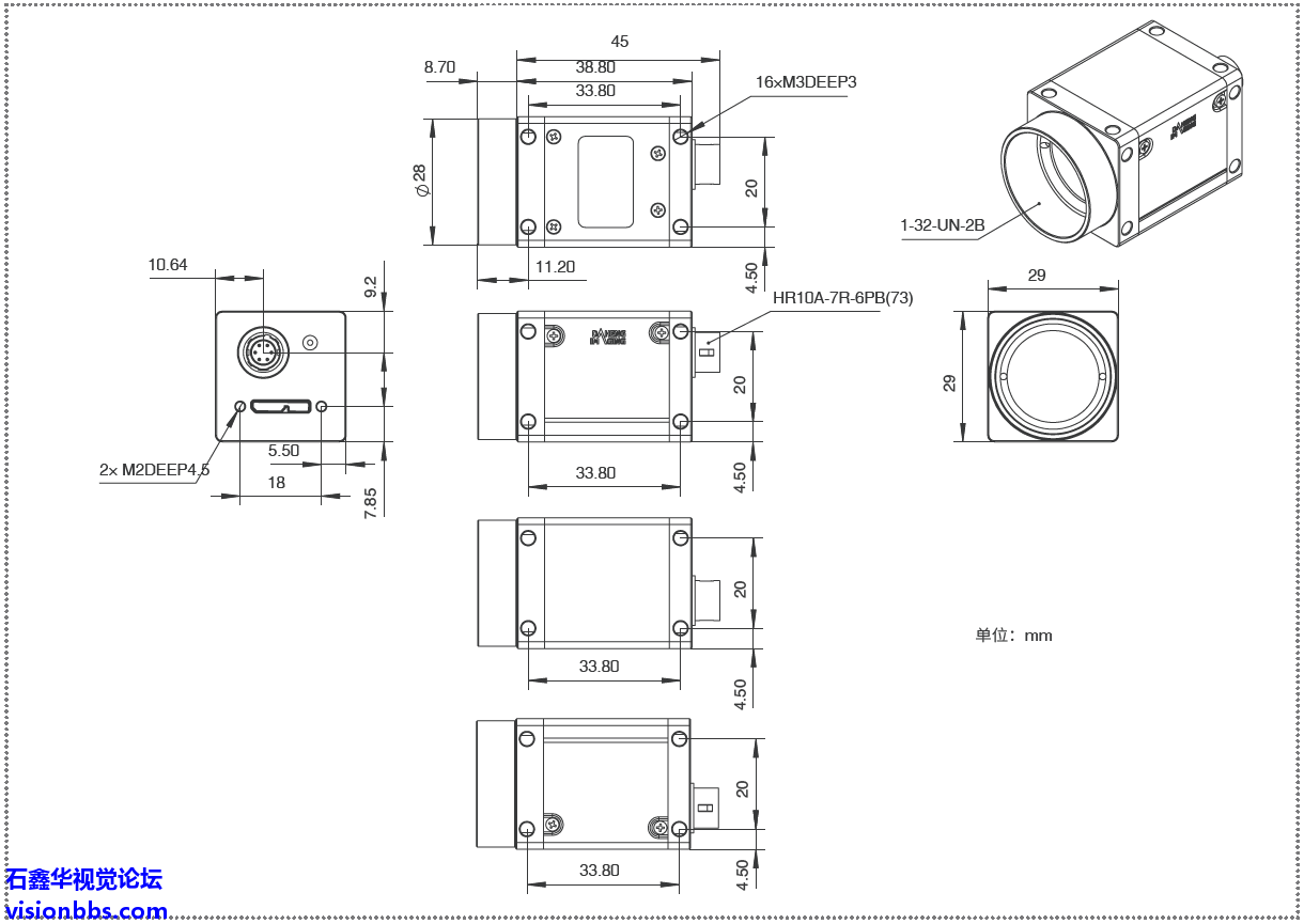
    机械尺寸
    29(W) ×29(H) × 38.8(L) mm(不含镜头接口和连接件)
    重量
    60 g
    软件
    支持 HALCON,MERLIC,VisionPro,LabVIEW 等第三方软件
    操作系统
    32bit / 64bit Windows,Linux,Android,ARMv7,ARMv8
    认证及标准
    CE,RoHS,FCC,ICES,UKCA,USB3  Vision®,GenICam®

    IO接口
    image3.png

    机械尺寸
    image4.png
    回复

    使用道具 举报

    您需要登录后才可以回帖 登录 | 注册会员

    本版积分规则

    LabVIEW HALCON图像处理入门教程(25.08)
    石鑫华机器视觉与LabVIEW Vision图像处理PDF+视频教程11种全套
    《LabVIEW Vision函数实例详解2020-2024》教程-NI Vision所有函数使用方法介绍,基于NI VISION2020,兼容VDM21/22/23/24

    QQ|LabVIEW视觉 |网站地图

    GMT+8, 2026-3-30 00:59

    Powered by Discuz! X3.4

    © 2001-2026 Discuz! Team.

    快速回复 返回顶部 返回列表