LabVIEW视觉

 找回密码
 注册会员
查看: 517|回复: 0

[面阵相机] ME3P-1840-54U3DC大恒图像水星USB3.2彩色工业相机

[复制链接]
  • TA的每日心情
    郁闷
    1 小时前
  • 签到天数: 3859 天

    连续签到: 52 天

    [LV.Master]2000FPS

     楼主| 发表于 2026-2-4 11:05:12 | 显示全部楼层 |阅读模式 来自:广东省东莞市 联通

    注册登陆后可查看附件和大图,以及购买相关内容

    您需要 登录 才可以下载或查看,没有账号?注册会员

    x
    ME3P-1840-54U3DC大恒图像水星USB3.2彩色工业相机
    水星三代 1840 万像素USB3.2 接口面阵相机
    ME3P-1840-54U3DC相机采用全局曝光的Sony IMX548 CMOS 感光芯片, 通过USB3.2数据接口进行图像数据的传输,传输速度可达10Gbps,提供线缆锁紧装置,能稳定工作在各种恶劣环境下,并且相机四面设有螺钉安装孔位,可以在不同结构下灵活安装,具有体积小、高帧率、高分辨率且传输速度快的优异特性,是高可靠性的工业数字相机产品。
    image1.png
    水星MER3-U3D系列工业相机
    应用领域
    适用于PCB检测、屏幕显示、生物检测等应用场景,主要在半导体、消费电子、医疗等行业表现出色。

    功能特性
    ■    Gamma、Binning、像素抽样、数字移位、
    ■    黑电平、锐化、平场校正、坏点校正(动态和静态)
    ■    查找表、参数组、计数器、定时器、帧存控制
    ■    彩色相机支持环境光源预设、白平衡,色相,颜色转换、饱和度功能
    ■    黑白相机支持降噪功能
    ■    序列控制功能支持多组功能参数配置
    ■    取消参数范围限制,可扩大曝光、增益、等参数的范围值
    ■    提供 512KB 用户数据区,保存算法系数、参数配置等

    光谱曲线
    image2.png

    规格参数
    型号  
    ME3P-1840-54U3DC
    ME3P-1840-54U3DM
    光谱
    彩色
    黑白
    像素格式
    BayerGB8 / BayerGB12 / BayerGB12p / RGB8 / BGR8 / Mono8 / Mono12
    Mono8 / Mono12 / Mono12p
    信噪比
    38.169 dB
    38.345 dB
    品牌
    大恒图像
    分辨率
    4496(H) × 4096(V)
    传感器
    Gpixel 1” GMAX2518 Global shutter CMOS
    像元尺寸
    2.5μm × 2.5μm
    帧率
    54.3 fps
    模数转换精度
    8 bit ,12 bit
    像素深度
    8 bit, 12 bit
    曝光时间
    标准:9μs~1s,实际步长:1μs
    增益
    DigitalALL:0dB ~ 16dB;默认值0dB,步长0.1dB
    Binning
    FPGA:1×1,1×2,1×4,2×1,2×2,2×4,4×1,4×2,4×4
    像素抽样
    FPGA:1×1,1×2,2×1,2×2
    同步方式
    外触发,软触发
    工作方式
    单帧采集,连续采集,软触发采集,外触发采集
    镜像翻转
    水平镜像,垂直镜像
    I/O接口
    1 路光耦隔离输入, 2 路双向  GPIO
    数据接口
    USB3.2 Gen2 × 1
    供电要求
    12VDC-10%~24VDC+10% 电源(推荐)或 USB3.2接口供电
    额定功率
    5.3W @ 5VDC(相机功耗较高,总线供电存在风险,推荐外部辅助电源供电,注意事项详见说明书3.2 节)
    工作温度
    0° C ~ +50° C
    存储温度
    -20°C ~ +70°C
    工作湿度
    10% ~ 80%
    镜头接口
    C
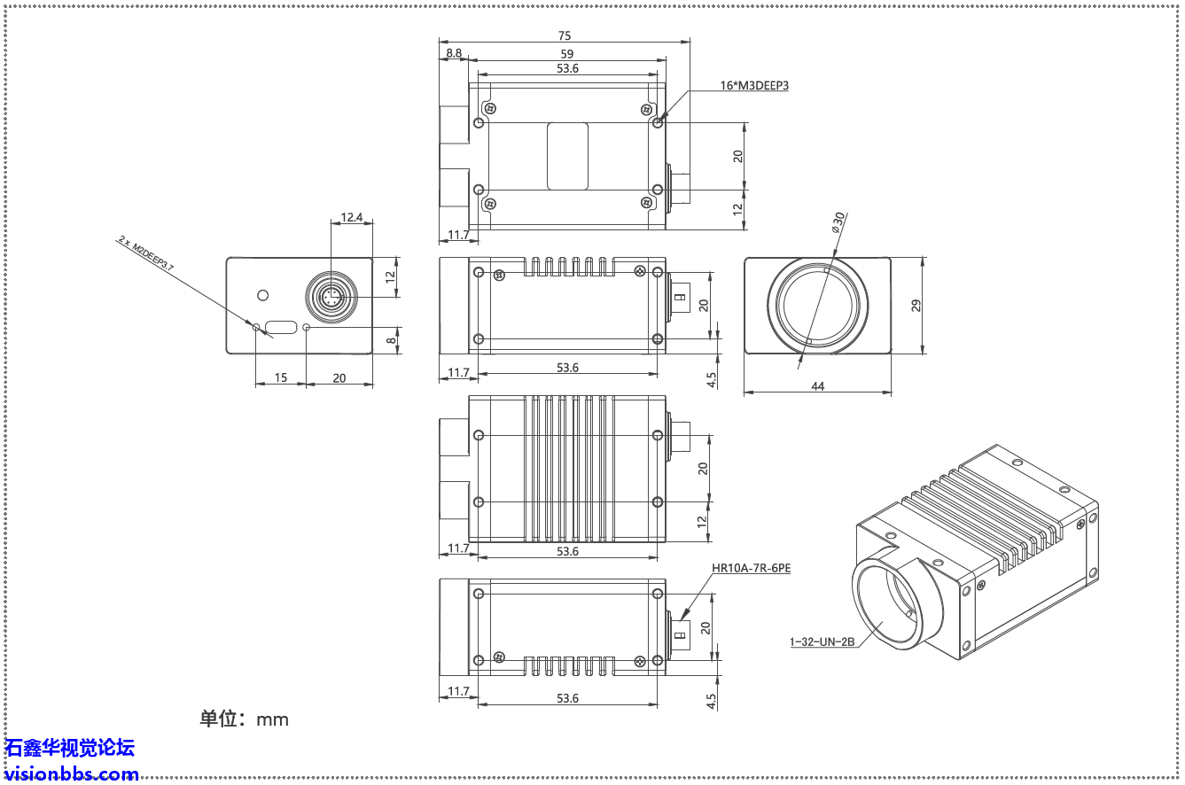
    机械尺寸
    29(W) ×29(H) × 59(L) mm(不含镜头接口和连接件)
    重量
    125 g
    软件
    支持 HALCON,MERLIC,VisionPro,LabVIEW 等第三方软件
    操作系统
    32bit / 64bit Windows
    认证及标准
    CE,RoHS,FCC,ICES,UKCA,USB3  Vision®,GenICam®

    IO接口
    image3.png

    机械尺寸
    image4.png
    回复

    使用道具 举报

    您需要登录后才可以回帖 登录 | 注册会员

    本版积分规则

    LabVIEW HALCON图像处理入门教程(25.08)
    石鑫华机器视觉与LabVIEW Vision图像处理PDF+视频教程11种全套
    《LabVIEW Vision函数实例详解2020-2024》教程-NI Vision所有函数使用方法介绍,基于NI VISION2020,兼容VDM21/22/23/24

    QQ|LabVIEW视觉 |网站地图

    GMT+8, 2026-4-17 10:06

    Powered by Discuz! X3.4

    © 2001-2026 Discuz! Team.

    快速回复 返回顶部 返回列表