LabVIEW视觉

 找回密码
 注册会员
查看: 215|回复: 0

[面阵相机] ME2L-203-76U3C-L大恒图像水星二代Lite USB3工业相机

[复制链接]
  • TA的每日心情
    奋斗
    3 小时前
  • 签到天数: 3713 天

    连续签到: 40 天

    [LV.Master]2000FPS

     楼主| 发表于 2025-10-15 09:04:56 | 显示全部楼层 |阅读模式 来自:广东省东莞市 联通

    注册登陆后可查看附件和大图,以及购买相关内容

    您需要 登录 才可以下载或查看,没有账号?注册会员

    x
    ME2L-203-76U3C-L大恒图像水星二代Lite USB3工业相机
    水星二代Lite 200万像素无I/O彩色工业相机
    水星二代Lite相机结构紧凑, 外观小巧(29×29mm), 具有高清晰度、低噪声、设计小巧、安装及使用方便等特点。ME2L-203-76U3C-L采用逐行曝光的CMOS感光芯片, 通过USB3.0数据接口进行图像数据的传输, 提供线缆锁紧装置,能稳定工作在各种恶劣环境下, 是高可靠性的工业数字相机产品。 相比ME2L-203-76U3C型号来说, ME2L-203-76U3C-L取消了I/O接口, 因此质量更轻更具性价比。
    image1.png
    水星ME2L-U3(-L)系列工业相机

    应用领域
    工业检测、医疗、科研、教育等领域。

    功能特性
    l  支持 ROI、增益、自动增益、曝光、自动曝光
    l  可输出多种格式图像数据:Mono8 / Mono10 / Bayer RG8 / Bayer RG10
    l  支持水平镜像和垂直镜像功能
    l  彩色型号相机支持白平衡、自动白平衡
    l  彩色型号相机支持环境光源预设功能,并提供 Off模式和四种指定常见色温光源模式
    l  参数组功能
    l  提供 16KB 用户数据区,保存算法系数、参数配置等

    规格参数
    型号  
    ME2L-203-76U3C(-L)
    ME2L-203-76U3M(-L)
    品牌
    大恒图像
    系列
    水星ME2L-U3-L
    分辨率
    1920(H) × 1080(V)
    传感器
    1/2.8" Rolling shutter CMOS
    像元尺寸
    2.9μm × 2.9μm
    帧率
    76 fps
    模数转换精度
    10 bit
    像素深度
    8 bit,10 bit
    光谱
    彩色
    黑白
    图像数据格式
    Bayer RG8 / Bayer RG10
    Mono8 / Mono10
    信噪比
    41.53 dB
    41.26 dB
    曝光时间
    标准:20μs ~ 1s,实际步长:1 行周期
    增益
    0dB ~ 24dB;默认值0dB,步长0.1dB
    Binning
    不支持
    像素抽样
    不支持
    同步方式
    外触发,软触发(-L型号无外触发)
    工作方式
    连续采集,软触发采集,外触发采集(-L 型号无外触发采集)
    镜像翻转
    水平镜像,垂直镜像
    I/O接口
    1 路光耦隔离输入,1 路双向  GPIO (-L 型号不支持 I/O接口)
    数据接口
    USB3.0
    供电要求
    USB3.0接口供电
    额定功率
    1.53 W @ 5 VDC
    工作温度
    0° C ~ +45° C
    存储温度
    -20°C ~ +70°C
    工作湿度
    10% ~ 80%
    镜头接口
    C/CS
    机械尺寸
    29(W) ×29(H) × 29(L) mm(不含镜头接口和连接件)
    重量
    ME2L-U3:47 g;ME2L-U3-L:44 g
    软件
    支持 HALCON,MERLIC,VisionPro,LabVIEW 等第三方软件
    操作系统
    32bit / 64bit Windows,Linux,Android,ARMv7,ARMv8
    认证及标准
    CE,RoHS,FCC,ICES,UKCA,USB3  Vision®,GenICam®

    IO接口
    image2.png
    注:-L型号无IO接口,仅限ME2L-U3系列

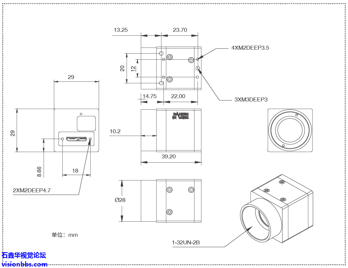
    机械尺寸
    image3.png
    ME2L-203-76U3M/C
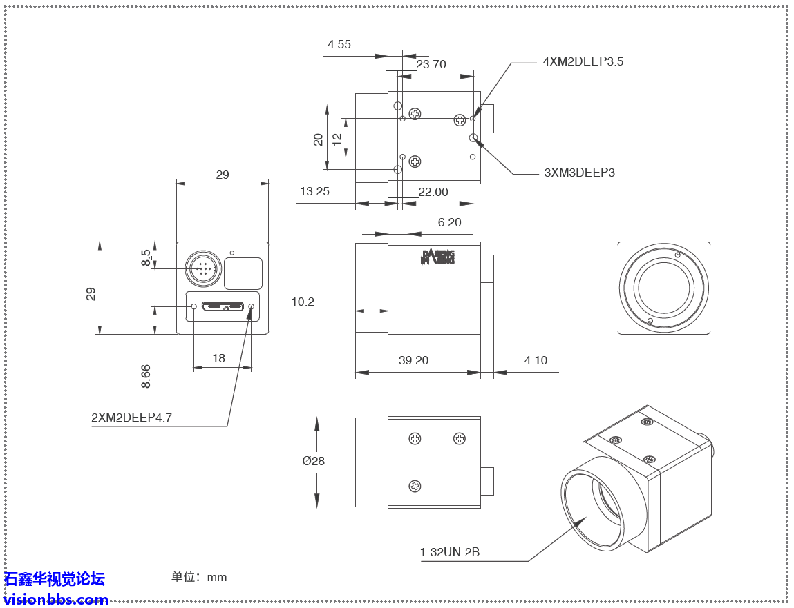
    image4.png
    ME2L-203-76U3M/C-L
    回复

    使用道具 举报

    您需要登录后才可以回帖 登录 | 注册会员

    本版积分规则

    LabVIEW HALCON图像处理入门教程(24.09)
    石鑫华机器视觉与LabVIEW Vision图像处理PDF+视频教程11种全套
    《LabVIEW Vision函数实例详解2020-2024》教程-NI Vision所有函数使用方法介绍,基于NI VISION2020,兼容VDM21/22/23/24

    QQ|LabVIEW视觉 |网站地图

    GMT+8, 2025-11-15 12:41

    Powered by Discuz! X3.4

    © 2001-2025 Discuz! Team.

    快速回复 返回顶部 返回列表