LabVIEW视觉

 找回密码
 注册会员
查看: 237|回复: 0

[面阵相机] MARS-280-409GTC大恒图像火星10GigE工业相机

[复制链接]
  • TA的每日心情
    奋斗
    昨天 08:18
  • 签到天数: 3725 天

    连续签到: 52 天

    [LV.Master]2000FPS

     楼主| 发表于 2025-9-30 09:47:38 | 显示全部楼层 |阅读模式 来自:广东省东莞市 联通

    注册登陆后可查看附件和大图,以及购买相关内容

    您需要 登录 才可以下载或查看,没有账号?注册会员

    x
    MARS-280-409GTC大恒图像火星10GigE工业相机
    火星系列280万像素10GigE彩色工业相机
    MARS-280-409GTC采用全局曝光的Sony IMX421 CMOS感光芯片,通过 10GigE 数据接口进行图像数据的传输,最大传输速率可达10Gbit/s,并集成I/O (GPIO) 接口,提供线缆锁紧装置,能稳定工作在各种恶劣环境下,相机外形坚固,性能出色,具有高分辨率、高清晰度、高传输带宽、低噪声等特点。是高可靠性、高性价比的工业数字相机产品。
    image1.png
    火星MARS-GT系列
    10GigE 介绍
    10GigE 在一些领域又称为10GBASE-T,10GBASE-T 是一种使用铜缆双绞线连接(超六类或以上)的以太网规范,数据层有效带宽为10Gbit/s。与10GBASE-T 对应的IEEE 标准是802.3an-2006。
    GigE Vision 自2006 年发布以来一直采用千兆网作为传输接口,随着Sensor 分辨率和帧率的逐渐增大,千兆网的传输速度已经逐渐成为了制约GigEVision 相机的瓶颈。MARS-GT 相机的传输部分基于10BASE-T技术,最高传输速率达到10Gbit/s,并支持速率切换为1Gbit/s,大大提升了网络相机的传输速度,拓展了网络相机的应用领域。
    由于传输速度大大提升,与千兆网相机相比,10GigE 相机的功耗明显增大,MARS-GT 相机采用了独特的散热技术(被动散热技术),使得相机在有限的体积内最大限度的发挥传输能力,相机可靠性高,环境适应性强。
    当前PC 一般都不支持10GigE 传输接口,因此用户需要单独购买10GigE 的网卡,推荐使用IOI 厂商的网卡,双口网卡型号为DGEAP2X-PCIE8XG302,单口网卡型号为GE10-PCIE4XG301。网卡驱动应为3.1.7 及以上版本,网卡驱动可以从IOI 官网进行下载。网卡一般要求PC 的PCIe 插槽为×4 Gen3,双口网卡要求PCIe 插槽为×8。

    应用领域
    工业检测、医疗、科研、教育等领域。

    功能特性
    l  时间戳、ROI、Binning、镜像、序列控制功能
    l  定时器、计数器、查找表、参数组
    l  Gamma、黑电平、数字移位
    l  取消参数范围限制控制
    l  模板噪声校正、锐化、降噪

    光谱曲线
    image2.png

    规格参数
    型号  
    MARS-280-409GTC
    MARS-280-409GTM
    品牌
    大恒图像
    系列
    火星MARS-GT
    分辨率
    1936(H) × 1464(V)
    传感器
    SONY 2/3" IMX421 Global shutter CMOS
    像元尺寸
    4.5μm × 4.5μm
    帧率
    409 fps
    模数转换精度
    12 bit
    像素深度
    8 bit,10 bit,12  bit
    光谱
    彩色
    黑白
    图像数据格式
    Bayer RG8 / Bayer RG10 / Bayer RG12 / BayerRG12 Packed / Mono8 /  RGB8
    Mono8 / Mono10 / Mono12 / Mono12 Packed
    信噪比
    45 dB
    45 dB
    曝光时间
    极小:1μs ~ 5μs,实际步长:0.1μs;标准:9μs ~ 1s,实际步长:1 行周期
    增益
    模拟增益:0dB ~ 48dB;默认值0dB;步长0.1dB  
    数字增益:0dB ~ 24dB;默认值0dB;步长0.1dB
    Binning
    FPGA:1×1,1×2,2×1,2×2
    Sensor:1×1,2×2
    像素抽样
    不支持
    同步方式
    外触发,软触发
    工作方式
    单帧采集,连续采集,软触发采集,外触发采集
    镜像翻转
    水平镜像,垂直镜像
    I/O接口
    1 路光耦隔离输入,1 路光耦隔离输出,1 路双向 GPIO
    数据接口
    10GigE
    供电要求
    12VDC-10% ~ 24VDC+10% 电源
    额定功率
    < 12.8 W @ 12 VDC
    工作温度
    0° C ~ +50° C
    存储温度
    -20°C ~ +70°C
    工作湿度
    10% ~ 80%
    镜头接口
    C 口
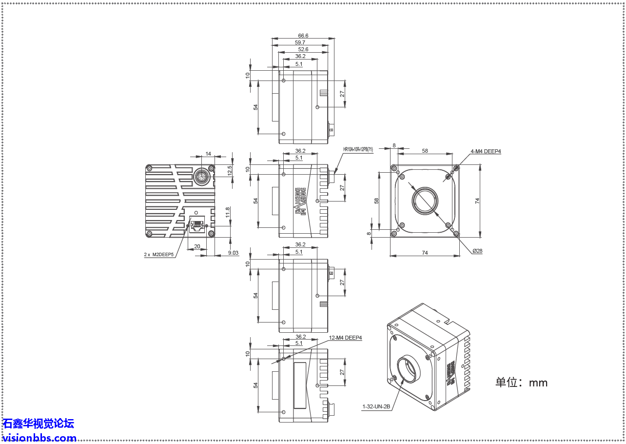
    机械尺寸
    74(W) × 74(H) × 52.6(L) mm(不含 mount 口和 I/O接口长度)
    重量
    468g
    软件
    支持 HALCON,MERLIC,VisionPro,LabVIEW 等第三方软件
    操作系统
    Win10/Win11 32bit 和 64bit 操作系统,推荐 64bit 系统
    认证/标准
    CE,RoHS,FCC,ICES,UKCA,GigE  Vision®,GenICam®

    IO接口
    image3.png

    机械尺寸

    image4.png
    回复

    使用道具 举报

    您需要登录后才可以回帖 登录 | 注册会员

    本版积分规则

    LabVIEW HALCON图像处理入门教程(24.09)
    石鑫华机器视觉与LabVIEW Vision图像处理PDF+视频教程11种全套
    《LabVIEW Vision函数实例详解2020-2024》教程-NI Vision所有函数使用方法介绍,基于NI VISION2020,兼容VDM21/22/23/24

    QQ|LabVIEW视觉 |网站地图

    GMT+8, 2025-11-28 05:25

    Powered by Discuz! X3.4

    © 2001-2025 Discuz! Team.

    快速回复 返回顶部 返回列表