LabVIEW视觉

 找回密码
 注册会员
查看: 145|回复: 0

[面阵相机] MARS-1410-342X2C-NF大恒图像火星CXP高速工业相机

[复制链接]
  • TA的每日心情
    无聊
    昨天 08:57
  • 签到天数: 3695 天

    连续签到: 22 天

    [LV.Master]2000FPS

     楼主| 发表于 2025-9-19 11:37:56 | 显示全部楼层 |阅读模式 来自:广东省东莞市 联通

    注册登陆后可查看附件和大图,以及购买相关内容

    您需要 登录 才可以下载或查看,没有账号?注册会员

    x
    MARS-1410-342X2C-NF大恒图像火星CXP高速工业相机
    火星系列1400万像素CoaXPress2.0接口彩色工业相机
    大恒图像火星MARS-1410-342X2C-NF相机采用全局曝光的Gpixel GSPRINT5514 BSI 14MP CMOS感光芯片,通过CoaXPress接口进行图像数据的高速传输,相机传输速度快、传输稳定性高、功耗低、输出图像质量清晰。
    image1.png
    火星MARS-X2系列


    应用领域
    消费电子、工业检测、医疗、科研、教育等领域。


    产品特点
    l  明场校正、暗场校正、平场校正、静态坏点校正
    l  序列控制功能支持平场校正等功能的参数配置,最多 16 组
    l  传感器位深功能可以更改图像传感器输出数据的位深
    l  彩色相机支持环境光源预设、颜色转换、饱和度、白平衡等功能
    l  Binning、Gamma、黑电平
    l  查找表、参数组、计数器、定时器
    l  支持大恒图像以及第三方图像采集卡

    规格参数
    型号  
    MARS-1410-342X2C-NF
    MARS-1410-342X2M-NF
    品牌
    大恒图像
    系列
    火星MARS-X2
    分辨率
    4608(H) ×  3072(V)
    传感器
    Gpixel  GSPRINT5514 BSI 14MP Global shutter CMOS
    靶面尺寸
    25.34 mm (H) ×  16.90 mm (V)
    像元尺寸
    5.5μm × 5.5μm
    帧率(fps)
    342.5
    模数转换精度
    12 bit
    像素深度
    8 bit12 bit
    光谱
    彩色
    黑白
    图像数据格式
    Bayer RG8 /  Bayer RG12
    Mono8 / Mono12
    信噪比
    41.6 dB
    41.7 dB
    曝光时间
    1μs ~ 1s,实际步长:1μs
    增益
    数字增益:0dB ~ 16dB;默认值0dB,步长0.1dB  
    模拟增益:5 档,档位(参数值):1×(1.0)2×(1.55) 3×(2.17)4×(2.77)5×(5);默认值1dB
    Binning
    1×11×21×42×12×22×44×14×24×4
    像素抽样
    不支持
    同步方式
    外触发,软触发
    工作方式
    单帧采集,连续采集,软触发采集,外触发采集,CXP触发采集
    镜像翻转
    水平镜像,垂直镜像
    I/O接口
    1 路光耦隔离输入,1 路光耦隔离输出,1 路双向 GPIO1 RS232
    数据接口
    CXP-12 × 4  (HDBNC)
    供电要求
    辅助直流 24V电源或 PoCXP供电
    功率
    19.5W@24V、环境 25° C、风扇 (ON)17.5W@24V、环境 25° C、风扇 (OFF)
    工作温度
    0°C ~ +45°C
    存储温度
    -20°C ~ +70°C
    工作湿度
    10% ~ 80%
    散热方式
    风扇
    镜头接口
    M58/F
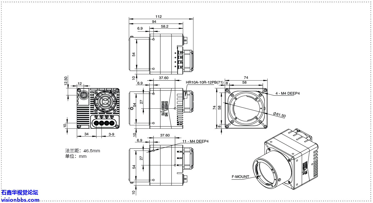
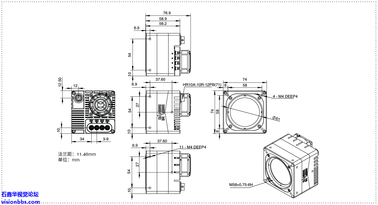
    机械尺寸
    M5874(W) × 74(H) × 76.9(L) mmF74(W) × 74(H)  × 112(L) mm
    重量
    M58540 gF634 g
    软件
    支持大恒图像采集卡以及第三方图像采集卡配套软件
    操作系统
    Win7 / Win8 /  Win10 / Win11
    认证及标准
    CERoHSFCCICESUKCACoaXPress2.0GenICam

    光谱曲线
    image2.png


    IO接口
    image3.png


    机械尺寸
    image4.png
    MARS-1410-342X2M/C-NF(M58 口)
    image5.png
    MARS-1410-342X2M/C-NF(F 口)

    回复

    使用道具 举报

    您需要登录后才可以回帖 登录 | 注册会员

    本版积分规则

    LabVIEW HALCON图像处理入门教程(24.09)
    石鑫华机器视觉与LabVIEW Vision图像处理PDF+视频教程11种全套
    《LabVIEW Vision函数实例详解2020-2024》教程-NI Vision所有函数使用方法介绍,基于NI VISION2020,兼容VDM21/22/23/24

    QQ|LabVIEW视觉 |网站地图

    GMT+8, 2025-10-29 01:27

    Powered by Discuz! X3.4

    © 2001-2025 Discuz! Team.

    快速回复 返回顶部 返回列表